Service +49 (0)6184 93610

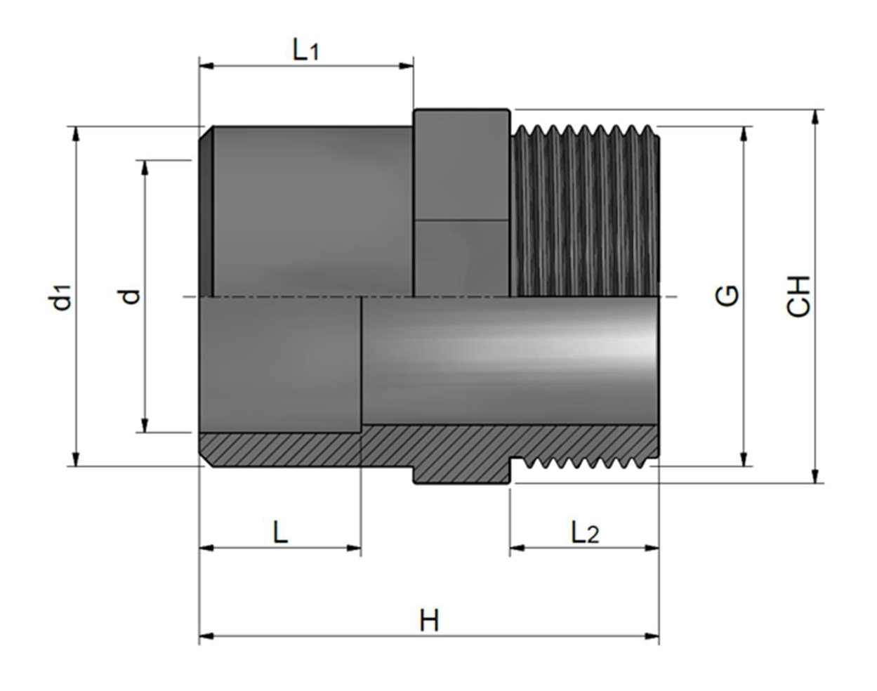
Der Übergangsnippel hat auch wieder drei Maßeinheiten: bspw. 50/63 mm x 1½“.

Es passt ein Rohr 50 mm rein oder ein Fitting 63 mm darüber.
Auf der anderen Seite haben wir das Außengewinde, welches wieder in ein Innengewinde passt.

Sie haben Fragen zu Teichbedarf und Technik?
Wir sind für Sie erreichbar!
Montag - Freitag: 9.00 - 17.00 Uhr

Innenmaß/AußenmaßxGewinde 

(d) Innendurchmesser links (d1) Außendurchmesser links (G) Durchmesser Gewinde L (L1) Länge Klebestutzen (L2) Länge Gewinde (H) Gesamtlänge (CH) Durchmesser (größter) Gewicht
25mm 32mm 1/2" 19mm  22mm  15mm  49mm 36mm  25g 
25mm 32mm 3/4" 19mm  22mm  16,3mm  50mm  36mm  26g 
25mm 32mm 1" 19mm  22mm  19,1mm  53mm  36mm  27g 
32mm 40mm 1/2" 22mm  26mm 15mm  53mm  46mm  35g 
32mm 40mm 3/4" 22mm  26mm  16,3mm  54mm  46mm  43g 
32mm 40mm 1" 22mm  26mm  19,1mm  57mm  46mm  42g 
32mm 40mm 1 1/4" 22mm  26mm  21,4mm  60mm  46mm  47g 
40mm 50mm 1"  26mm  31mm  19,1mm  64mm  55mm  70g 
40mm 50mm 1 1/4" 26mm  31mm  21,4mm  67mm  55mm  74g 
40mm 50mm 1 1/2" 26mm  31mm  21,4mm  67mm  55mm  70g 
50mm 63mm 1 1/4" 32mm  38mm  21,4mm  74mm  65mm  116g 
50mm 63mm 1 1/2" 32mm  38mm  21,4mm  74mm 65mm  113g 
50mm 63mm 2"  32mm  38mm  25,7mm  78mm  65mm  119g 
63mm 75mm 1 1/2" 38mm  44mm  21,4mm  84mm  80mm  182g 
63mm 75mm 2"  38mm  44mm  25,7mm  88mm  80mm  185g 
63mm 75mm 2 1/2" 38mm  44mm  30,2mm  93mm  80mm  189g 
75mm 90mm 2" 44mm  51mm 25,7mm  95mm  95mm  279g 
75mm 90mm 2"  44mm  51mm  33,5mm  103mm  95mm  298g 
90mm 110mm 2 1/2" 51mm  61mm  30,5mm  110mm 115mm  476g 
90mm 110mm 3"  51mm  61mm 33,5mm  113mm  115mm  483g 
90mm 110mm 4"  51mm  61mm  39,3mm  118mm  115mm  485g 

Gratisversand ab 100€ Warenwert

KOI Company Qualitätsversprechen

Kompetente Beratung vom Fachmann

Entdecken
Das könnte Sie auch interessieren
T-Stücke 90° mit Innengewinde
1-4 Werktage
Star
Star
Star
Star
Star
Star

Durchschnittliche Bewertung von 4.1 von 5 Sternen

T-Stücke 90° mit Innengewinde

ab € 3,00*
PVC-Muttern mit Innengewinde
1-4 Werktage
Star
Star
Star
Star
Star

Durchschnittliche Bewertung von 5 von 5 Sternen

PVC-Muttern mit Innengewinde

ab € 1,25*
Winkel 90° mit Innengewinde
1-4 Werktage
Star
Star
Star
Star
Star
Star

Durchschnittliche Bewertung von 4.5 von 5 Sternen

Winkel 90° mit Innengewinde

ab € 1,85*
Reduzierringe mit Innengewinde
1-4 Werktage
Star
Star
Star
Star
Star

Durchschnittliche Bewertung von 5 von 5 Sternen

Reduzierringe mit Innengewinde

ab € 1,90*
Entdecken
Das könnte Sie auch interessieren

Up-sells

Tipp
Star
Star
Star
Star
Star
Star

Durchschnittliche Bewertung von 4.8 von 5 Sternen

Montmorillonit (Tonmineral)

Varianten ab: 2.5 kg

ab € 27,60*
Tipp
Star
Star
Star
Star
Star
Star

Durchschnittliche Bewertung von 4.8 von 5 Sternen

Anarex-Bio®

Varianten ab: 1 L

ab € 10,80*
Star
Star
Star
Star
Star
Star

Durchschnittliche Bewertung von 4.2 von 5 Sternen

AquaForte Profi Teichheizer Edelstahl 1kW - 3kW

ab € 199,00*
Tipp
Star
Star
Star
Star
Star
Star

Durchschnittliche Bewertung von 4.8 von 5 Sternen

Anarex-Bio® Koi Humin

Varianten ab: 1 L

ab € 10,60*
Tipp
Star
Star
Star
Star
Star
Star

Durchschnittliche Bewertung von 4.8 von 5 Sternen

Anarex-Bio®

Varianten ab: 1 L

ab € 10,80*
Tipp
Star
Star
Star
Star
Star
Star

Durchschnittliche Bewertung von 4.7 von 5 Sternen

Fadenalgenfrei F

Varianten ab: 1 kg

ab € 20,30*
Star
Star
Star
Star
Star
Star

Durchschnittliche Bewertung von 4.2 von 5 Sternen

AquaForte Profi Teichheizer Edelstahl 1kW - 3kW

ab € 199,00*
Tipp
Star
Star
Star
Star
Star
Star

Durchschnittliche Bewertung von 4.8 von 5 Sternen

Anarex-Bio®

Varianten ab: 1 L

ab € 10,80*
Tipp
Star
Star
Star
Star
Star
Star

Durchschnittliche Bewertung von 4.8 von 5 Sternen

Anarex-Bio® Koi Humin

Varianten ab: 1 L

ab € 10,60*
Star
Star
Star
Star
Star

Durchschnittliche Bewertung von 5 von 5 Sternen

Malamix17®

Varianten ab: 1 L

ab € 33,95*
Tipp
Star
Star
Star
Star
Star
Star

Durchschnittliche Bewertung von 4.9 von 5 Sternen

Oishii® Balance - sinkend

Varianten ab: 1 kg

ab € 11,30*
Tipp
Star
Star
Star
Star
Star
Star

Durchschnittliche Bewertung von 4.7 von 5 Sternen

Fadenalgenfrei F

Varianten ab: 1 kg

ab € 20,30*
Tipp
Star
Star
Star
Star
Star
Star

Durchschnittliche Bewertung von 4.7 von 5 Sternen

Fadenalgenfrei F

Varianten ab: 1 kg

ab € 20,30*
Tipp
Star
Star
Star
Star
Star
Star

Durchschnittliche Bewertung von 4.7 von 5 Sternen

Fadenalgenfrei F

Varianten ab: 1 kg

ab € 20,30*
Tipp
Star
Star
Star
Star
Star
Star

Durchschnittliche Bewertung von 4.9 von 5 Sternen

Oishii® Balance - sinkend

Varianten ab: 1 kg

ab € 11,30*

10 von 24 Bewertungen

Star
Star
Star
Star
Star
Star

Durchschnittliche Bewertung von 4.9 von 5 Sternen


92%

8%

0%

0%

0%



10. November 2024 03:00

Star
Star
Star
Star
Star

Bewertung mit 5 von 5 Sternen

Ekomi-Bwertung

Gute Qualität

26. Juni 2024 02:00

Star
Star
Star
Star
Star

Bewertung mit 5 von 5 Sternen

Ekomi-Bwertung

Gutes Produkt

17. Juni 2015 17:06

Star
Star
Star
Star
Star

Bewertung mit 5 von 5 Sternen

Ekomi-Bewertung

Top

10. August 2017 09:08

Star
Star
Star
Star
Star

Bewertung mit 5 von 5 Sternen

Ekomi-Bewertung

Super!

8. Oktober 2016 08:10

Star
Star
Star
Star
Star

Bewertung mit 5 von 5 Sternen

Ekomi-Bewertung

Sehr gut

2. Juli 2014 21:07

Star
Star
Star
Star
Star

Bewertung mit 5 von 5 Sternen

Ekomi-Bewertung

super ware

28. November 2014 12:11

Star
Star
Star
Star
Star

Bewertung mit 5 von 5 Sternen

Ekomi-Bewertung

Alles bestens.

30. November 2013 20:11

Star
Star
Star
Star
Star

Bewertung mit 5 von 5 Sternen

Ekomi-Bewertung

alles ok

22. Oktober 2015 06:10

Star
Star
Star
Star
Star

Bewertung mit 5 von 5 Sternen

Ekomi-Bewertung

Gute Materialqualität. Kann unbedenklich weiter empfohlen werden.

8. August 2012 10:08

Star
Star
Star
Star
Star

Bewertung mit 5 von 5 Sternen

Ekomi-Bewertung

Alles laut Beschreibung im Katalog und in sehr guter Qualität.

Sie haben Fragen zu Übergangsnippel?
Melanie ist unsere Expertin in diesem Gebiet! Rufen Sie bei uns an und lassen Sie sich von ihr persönlich beraten.
+49 (0)6184 93610 Mo-Fr: 9-12 & 14-17 Uhr